Manuelle rotation
Code fiche produit : 1030580
- Bloc non motorisé pour mise en rotation manuelle de faibles charges.
- Caractéristique :
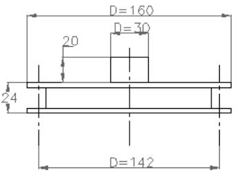
- Charge utile : 30 kg.
- Options :
- Embase large.
- Plateau supérieur Diam&egra
Voir la description détaillée
Imprimer
Bloc non motorisé pour mise en rotation manuelle de faibles charges.
Caractéristique :
- Charge utile : 30 kg.
Options :
- Embase large.
- Plateau supérieur Diamètre 300 à 600.
- Application extérieure.
- Charge : 50 kg.
- Application intérieure.
Exemple d'utilisation :
- Mise en rotation manuelle de charges légères.
Manuelle rotation
Code fiche produit : 1030580
Prix sur demande
Autres produits de ce fournisseur
test