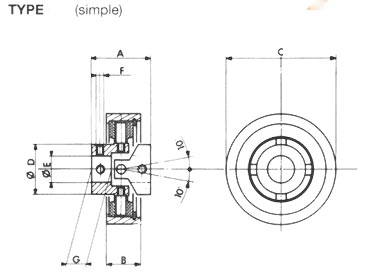
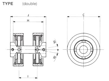
Le cardan de précision simple ou double est un élément clé des systèmes de transmission de mouvement, utilisé dans diverses applications industrielles et mécaniques.
Ce type de cardan est conçu pour assurer un transfert efficace et sans jeu entre l'axe meneur et l'axe mené, grâce à un montage de précision.
Le cardan de précision, que ce soit simple ou double, est fabriqué avec des tolérances rigoureuses, garantissant ainsi une absence totale de jeu entre les composants.
Sa capacité à s'adapter à divers types d'arbres de transmission et d'applications industrielles rend ce cardan polyvalent et adapté aux environnements exigeants.
Avantages produit
Absence de jeu
Le rattrapage automatique du jeu permet une transmission de mouvement précise et fiable.
Robuste
Grâce à l'utilisation de joints de cardan et de roulements à aiguilles, le cardan est conçu pour résister aux contraintes mécaniques.
Polyvalent
Adapté à une large gamme d'applications industrielles et mécaniques, notamment dans les transmissions de mouvement.
Efficace
Les soufflets de cardan assurent une protection optimale contre les impuretés et l'humidité.