Pour vous assurer d'obtenir la pièce de rechange correcte, il est essentiel d'identifier de manière précise votre pompe.
Chaque pompe est associée à un type spécifique et un numéro de série (seriennr) unique.
Ces informations sont cruciales pour garantir la compatibilité de la pièce de rechange avec votre pompe.
Précision des besoins en pièces de rechange
Pour nous permettre de vous assister efficacement, veuillez spécifier les pièces de rechange dont vous avez besoin.
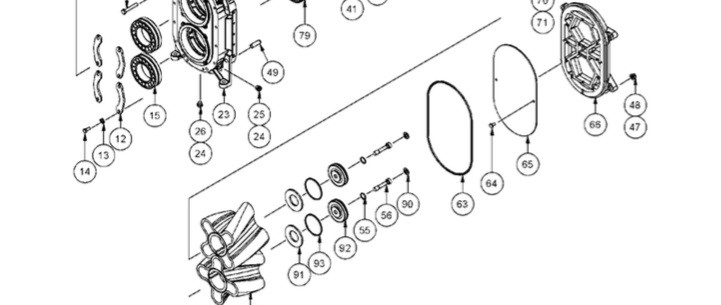
Vous pouvez vous référer au manuel d'entretien de votre pompe et sélectionner la vue éclatée correspondante.
Cette vue éclatée vous permettra d'identifier la position ou le repère de chaque pièce recherchée.
Contactez-nous par email
Une fois que vous avez recueilli les informations nécessaires, n'hésitez pas à nous envoyer un email.
Si vous ne disposez pas du modèle ou du numéro de série de votre pompe Vogelsang, nous avons également des solutions alternatives pour vous aider à trouver la pièce de rechange adéquate.
Vous pouvez nous envoyer une photo de la plaque signalétique de votre pompe ou de votre équipement.
Si vous ne pouvez pas fournir le modèle ou le numéro de série, veuillez nous transmettre autant de détails que possible concernant votre application.