Ce pont roulant à grappin est un appareil de levage et manutention destiné aux centrales de crémation des ordures.
Il permet d'alimenter des chaufferies bois, de lever, de transporter, de mélanger, de récupérer et de peser des ordures avant l'incinération.
L'appareil effectue un travail optimal en plus d'être sûr et fiable pour des longues journées de travail.
Le pont roulant à grappin peut être manuel, semi-automatique ou entièrement automatique.
-
Caractéristiques Techniques :
- Modèle : QZ
- Marque : Weihua
- Lieu d’origine : Chine
- Certificats : ISO 9001, ISO 14001, OHSAS, 18001 GB/T
- Productivité en t/d : 800~1000, 1000~1200, 1200~1500
- Capacité de levage en t : 8, 10, 12.5
- Volume de grappin en m3 : 5, 6.3, 8
- Portée en m : 22.5, 25.5, 28.5, 31.5, 19.5, 22.5, 25.5, 28.5, 31.5, 19.5, 22.5, 25.5, 28.5, 31.5
- Levage de hauteur en m : 34, 36, 36
- Niveau de travail : A8, A8, A8
- Vitesse levage (m/min) : UP 4.5~45, UP 4.5~45, UP 5~50 / Down 6~60, Down 6~60, Down 7~65
- Vitesse déplacement de grappin (m/min) : 4.5~45, 4.85~48.5, 5~50
- Vitesse déplacement du pont (m/min) : 4.8~48, 6.5~65, 7~70
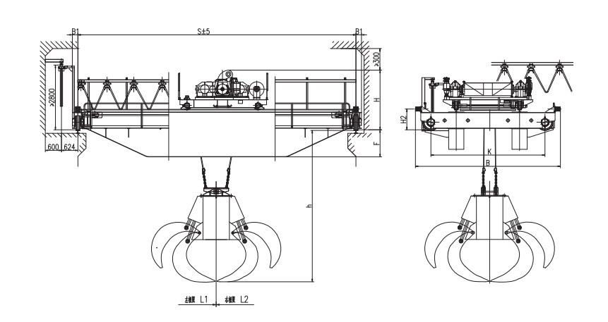
- Dimension limite en mm pour :
- L1 : 2600, 2600, 2850
- L2 : 2600, 2600, 2850
- h : 6000, 6000, 6000
- Dimension principal en mm pour :
- H : 2300, 2375, 2550
- B : 5724, 5724, 5875
- K : 2500, 2500, 2650
- B1 : 230, 230, 230
- F : 618, 718, 818, 968, 643, 743, 843, 845, 995, 575, 655, 757, 907, 1057
- Charge des roues maximum en KN : 117, 125, 134, 141, 136, 143, 151, 162, 170, 155, 165, 175, 185, 195
- Total Puissance en KW : 106, 135, 190
- 3 Types d'application : manuel, semi-automatique ou entièrement automatique effectuant une saisie automatique, une alimentation répétée automatique, un vidage répété automatique et un arrêt automatique.
- Type manuel : l'opérateur contrôle le pont avec la console de liaison.
- Type semi-automatique : l'opération de grappin est un contrôle manuel et automatique de la pesée et de la charge.
- Type entièrement automatique : une fois que la grue reçoit le signal de charge du poids de charge, la grue commence à effectuer chaque mouvement automatiquement, se déplaçant vers les déchets, soulever les déchets, se déplacer vers le port de charge, peser, charger et retourner à sa position. Il répétera le même mouvement automatiquement.
Caractéristiques du pont d'incinération des déchets ( en option ) :
- Hauteur de levage élevée avec fonctionnement anti-balancement.
- Mesure dynamique en temps réel.
- Saisir la surveillance de l'état, l'alarme de diagnostic de panne et les statistiques de rapport.
- S’adapte aux conditions de travail difficiles : haute température, humidité, poussière et gaz corrosifs.
- Charge de travail élevée : temps de travail moyen de 8 000 h par an, taux de charge élevé, fréquence de travail élevée.
- Travail fiable, moins d'échec, garantie de production en douceur.
Opération de base en option :
- Alimentation : Saisir et alimenter les déchets fermentés dans l'incinérateur de déchets.
- Levage et transport : Soulever et transporter les déchets près de la porte de déchargement pour éviter de bloquer la porte de déchargement. Contrôler la quantité d'ordures dans la fosse à déchets pour maintenir l'inventaire dans les 3 à 5 jours.
- Mélange : Mélangez les ordures pour extraire la teneur en eau et raccourcir le temps de fermentation, ainsi que protéger de l'incinération.
- Récupération: Récupérer les objets ininflammables dans la fosse.
- Pesée : Peser les ordures avant de les jeter dans l'incinérateur.
Sécurité :
- Les tampons sont installés sur le pont et le chariot. Les tampons ont de bonne absorption de l'énergie du mécanisme de déplacement et de réduction des chocs.
- Le mécanisme de levage du pont est équipé d'un dispositif de protection contre les surcharges. Lorsque la charge atteint 90 % de la capacité de levage nominale, le limiteur de surcharge déclenche une alarme.
- Lorsque la charge atteint 105 % de la capacité de levage nominale (réglable), le limiteur de surcharge donne une alarme retardée.
- Lorsque la charge atteint 110% de la capacité de levage nominale, le limiteur de surcharge peut immédiatement et automatiquement couper l'alimentation électrique pour le levage et envoyer un signal d'alarme interdit. L'affichage numérique en temps réel du poids de levage peut être vu dans la cabine du conducteur du pont.
- Conformément aux règles de sécurité pour le pont, chaque pièces tournantes exposées présentant un risque de blessure doit être équipée d'un capot de protection et dispositif de rainure antichute de câble métallique, La forme du carter de protection est un carter de sécurité amovible.
- Les plates-formes, passerelles et escaliers mécaniques sont conçus et fabriqués conformément aux réglementations et normes de sécurité nationales, ils facilitent la maintenance et l'inspection par les opérateurs. Les marches, les plates-formes et les passerelles des échelles doivent être antidérapantes, leur largeur ne doit pas être inférieure à 500 mm et les passerelles doivent être constituées de plaques d'acier à motifs.
- Le pont est équipé de limiteurs de hauteur de levage et de fins de course de fonctionnement, avec commande électrique, le pont assure une protection de sécurité du mouvement de déplacement et de la position de travail.
- Le pont est équipé de tampons et d'autres dispositifs pour amortir l'énergie inertielle du pont.
- En même temps, des dispositifs d'arrêt sont installés à la position limite de chaque mécanisme de roulement du pont pour éviter le danger lorsque le pont dépasse la position limite.
- Le pont est équipé d'un dispositif de nettoyage pour éliminer les débris sur le rail et empêcher le déraillement du pont causé par des débris sur le rail.
- Le pont est équipé d'un système de protection électrique à enclenchement au niveau de la porte de garde-corps du pont qui peut couper l'alimentation électrique et éviter le danger pour le personnel dû au mouvement du mécanisme.
- Le pont est équipé des protections contre les pertes de phase, les inversions de phase, la position zéro, les sous-tensions et les surtensions, courts-circuits, les surintensités, protection au sol et d'autres protections électriques pour garantir que le pont peut fonctionner de manière stable dans un état sécurité.
- Système anti-basculement : Un dispositif anti-basculement est équipé à l'intérieur du grappin, qui soulève automatiquement le grappin lorsqu'il s'incline à un angle spécifié pour l'empêcher de basculer.
- Système anti-collision : Le pont à grappin est équipé de dispositif anti-collision. Il existe les dispositifs anticollisions entre les deux ponts à grappin et un anti-collision entre le grappin et le bâtiment. Ce dispositif anti-collision est étroitement lié au contrôle de fonctionnement de chaque mécanisme du pont. Il est réalisé grâce à la coopération du limiteur et du système de contrôle de positionnement et anti-balancement.
- Diagnostic automatique des défauts et alarmes : Le pont a grappin peut vérifier automatiquement la situation du frein, de la surcharge, de l'onduleur et d'autres défauts, arrêter son fonctionnement et alarmer.